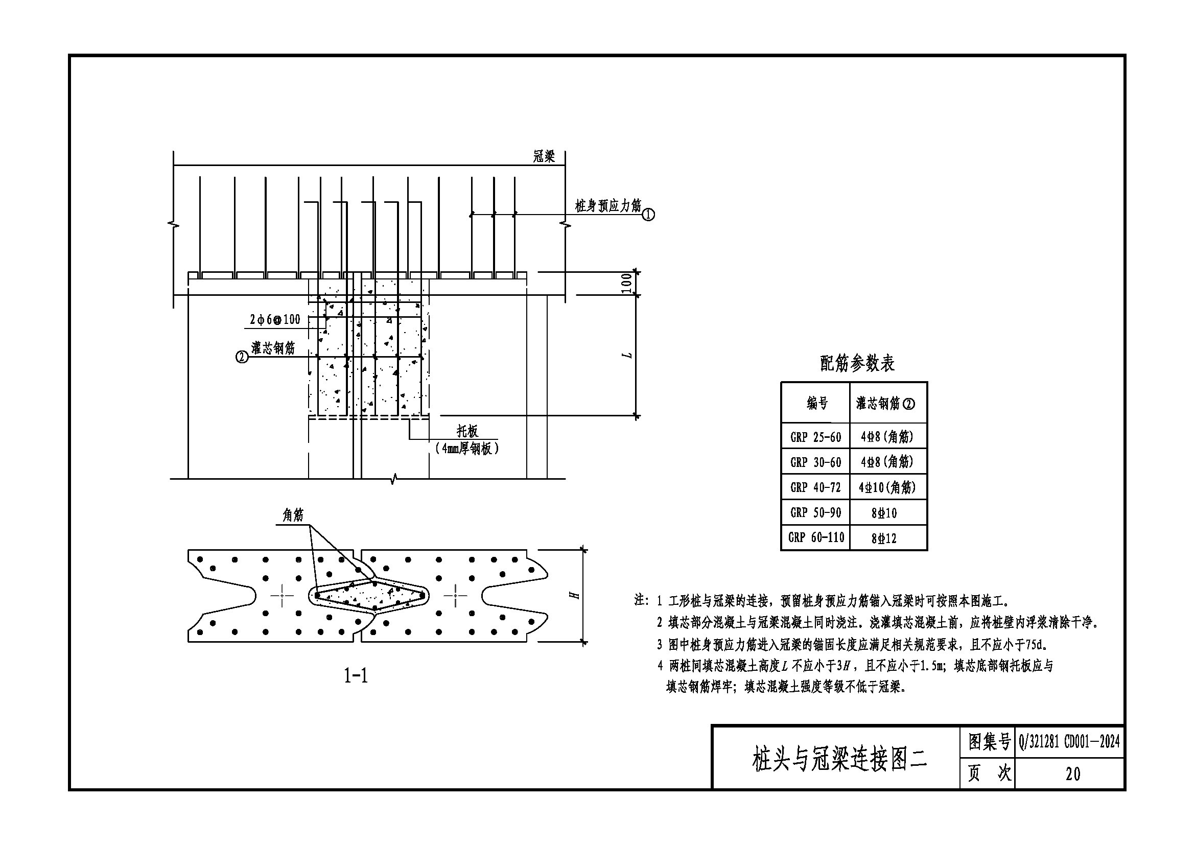
PRODUCT DISPLAY
预应力混凝土管桩生产工艺成熟,可以在工厂进行大批量的生产,目前在工程中应用最为广泛。由于采用预应力钢棒作为纵向受力主筋,冷拔低碳钢丝作为螺旋筋,导致预应力混凝土管桩水平承载力低和变形延性差。而钢绞线具有较高的抗拉强度和较好的变形延性,以钢绞线代替传统的预应力钢棒作为主筋,研发了先张法预应力混凝士H型护岸桩,进行了不同规格H型护岸桩试件抗弯和抗剪承载力试验,测得的极限抗弯和抗剪承载力要远大于等厚度管桩,目具有更好的变形延性。
关联内容